Sabtu, 29 Januari 2011
rangkaian uji kompotensi paket 1
ini adalah sekema buwat ujikompetensi untuk anak SMK jurusan elektronika industri yang jenis paket 1, di sekema ini ada beberapa pembenahan yaitu pada rangkai resetnya, rangkain resetnya yang bnar itu adalah sambungan kaki yang ke 9 itu di hububgkan ke ground,..
Kamis, 27 Januari 2011
rangakain pengukur jarak
Sirkuit ini Bisa Digunakan untuk jarak Mengukur ditutupi dengan sepeda menggunakan saklar buluh sebagai sensor dan menggunakan magnet terkait dengan roda. Deteksi rolling kemudian dibuat oleh efek kedekatan, Pls magnet dekat dengan saklar buluh. Dekat ini / menghubungi saklar terbuka buluh Dapat digunakan untuk membuat sinyal on-off. Fungsi mikrokontroler 68HC908QY4 untuk menghitung sinyal pulsa Diproduksi oleh switch buluh, dan kemudian langsung ditampilkan dalam unit meter dengan LCD 16 x 1 line LCD
Untuk sinyal Interface untuk LCD D4-D7, RS dan E. 4-bit itu interfacing, tidak memeriksa sibuk. D0-D3 dan R / W # tidak digunakan, jadi Kita harus mengikat ke GND. Karena Kita tidak bisa memeriksa bit Sibuk, sehingga keterlambatan rutin harus siap LCD Digunakan untuk menunggu perintah dan menulis data. Input sensor PTA2 untuk kontak saklar buluh dan PTA0 untuk 0 / 5 input analog V dapat menggunakan jack telepon kecil untuk kedua sensor. dalam gambar di bawah ini menunjukkan sensor sampel dan pembuatan kabel. Kemudian tabung susut Kita perlu melindungi sensor. Sensor posisi Pls Pls fix untuk roda sepeda Juga Penting. Kita membutuhkan fluks magnetik tegak lurus ke kontak.
Rangkaian Audio Mixer 6 Channel
Audio Mixer 6 Channel
The following is a main of the mixer-6 Ch circuit. The circuit constituted by six input channels. The channels are from monophonic channels CH 1-4 and CH 5-6, are intended for stereo use. The number of input channels they want as long Itself Can Increase You Want.
Skema rangaian audio mixer 6 channelThe output of Each channel drives the RV1-6, that regulation potesometer level of sound. With RV7-12 We create conditions of balance Between two channels (BALANCE). All the signals from the input channels in this point are added by two adders [IC1a-b], for Each channel Here exist two Trimmer TR1-2 That adjust the gain of Each IC, adapting the level of signal of the output, in the level That We Want. They Can be suppressed if you do not need something and Standard and Poor. The next stage is a equalizer, three bands of regulation. The IC3α-b, constitute the output of the mixer, they want a one acre have gain and they want the make the essential isolation of the previous stages, with the unit That We Will drives. For whoever they want want they want use headphones, it exists a classic circuit drive of headphones, round the IC2a-b, that give the output in the JF13. It Can Also Also exist optical clue of audio levels, with a stereo VUMETER.
List component
- R1-12=4.7Kohms
- R13-24=10Kohms
- R25-26=22Kohms .
- R27-30-34-39=100ohms
- R28-29-36-37=100Kohms
- R31-42=10Kohms
- R32-41=4.7Kohms
- R33-40=10Kohms
- R35-38=47ohms
- RV1....4=47Kohms Log.
- RV5-6-13=2X47Kohms Log.
- RV7....12=10Kohms Lin. pot. Log
- C1....8=10uF 25V
- C9-11=47pF ceramic or mylar
- C10-12=47uF 25V
- C13-14=100uF 25V
- C15-16=2.2uF 16V
- C18-21=100pF ceramic or mylar
- C19-20=220uF 25V
- TR1-2=4.7Kohms trimmer
- Q1-3=BD139
- Q2-4=BD140
- IC2=NE5532 - TL072
rangkain adaptor keluaran ples mines
12 volt dual voltage of adapter

12 VOLT 20 Ampere of adapter

Using a single 7812 IC voltage regulator and multiple outboard pass transistors, this power supply can deliver output load currents of up to 20 amps.

- Transformator 18v-CT (min)
- Capasitor 35v
- Bridge Rectifier 2 Ampere /100 v
- c4, c5 Ceramic
12 VOLT 20 Ampere of adapter

Using a single 7812 IC voltage regulator and multiple outboard pass transistors, this power supply can deliver output load currents of up to 20 amps.
rangkaian pemancar FM
Pemancar FM 12 Watt Untuk ngebrik dan broadcash
Proyek ini adalah proyek masa lalu dijaman masih jadi kuliah tahun 94an yang suka ngoprek elektronik. Dari gaul di udara lewat pemancar FM akhirnya dapat skema pemancar FM 12 W dari teman on air (Juragane Mbako dari pwt yg suka Djarum 76), cukup simpel tapi dapat dipakai ngebrik sampai puluhan KM. Gambar skema lengkap versi protel Kebutuhan tegangan 12V/5A. Antena dapat memakai 1/2 dipole, ground plane, gamma match atau lainnya dengan kabel merek Belden impendans 50 ohm. Untuk pendingin transistor C1971 PCB dilubangi sehingga transistor langung di mounting ke box atau pendingin. Bodi transistor C1971 adalah emitor yang berhubungan dengan ground.

Dan inilah contoh setelah selesai :

Antena gamma match :
Antena gamma match merupakan antena 1/2 lamda dengan tambahan matching impedans yang lebih fleksibel pengaturannya (var kapasitor) dengan menggeser-geser lewat gamma match/roadnya. Jenis antena ini pernah saya rakit (th 1994) dan dipakai untuk pemancar FM dengan hasil bagus pada settingan impedans yang pas. Pengukuran SWR dapat stabil 1:1 cukup kecil. Sayang waktu itu belum ada dokumentasi fotonya Antena saya pasang vertikal hanya drivennya saja di dalam kamar setinggi 170 cm dengan kabel belden RG 58 dapat mencapai paling tidak -+5 Km (dari wirobrajan Gg. Gatotkoco sampai sekitar alun-alun kraton YK) apa lagi jika dipasang diluar rumah dan pada ketinggian cukup tinggi.


Gambar di bawah ini sekema Pemancar FM dengan tabung :

SKEMA PEMANCAR FM TRANSISTOR :

Untuk keterangan lebih lanjut bisa di lihat di http://guru.technosains.com/FM-Breaker.htm
BOSTER 50 WATT PEMACAR FM :
Skema Rangkaian :

Skema PCB Rangkaian Boster FM 50 Watt :

Daftar Komponen :
TR1 ………………. SC1971.
TR2 ………………. SC1964.
C1, 4 ……………… 8 pF ( kondensator trimmer batu ).
C2, 5 . ……………..10 pF ( Kondensator trimmer batu).
C7, 8 ……………….20 pF ( Kondensator trimmer batu).
C3, 6 ……………… 2200 mF/50 V.
L1, 4, 7 …………. Diameter kawat 2mm
Diameter inti udara 8mm .
Jumlah lilitan= 3 lilit.
L2, 5 …………… Diameter kawat 2mm
Diameter inti udara 8mm
Jumlah lilitan= 9 lilit .
R1, 2 …………….. 100 ohm / 2 watt.
L3, 6 …………….. Diameter kawat 0,4mm
*.Catatan : Untuk R1, 2 dan L3, 6 dililitkan bersama .
Cara merakitnya :
1. Kamu beli papan PCB polos di toko elektronik, lalu kamu lukis menggunakan spidol hitam hitam sesuai dengan gambar di atas kemudian rendam pada larutan feriClorida .Tunggu sampai
bagian yang tidak terkena spidol hilang .
1. Kamu beli papan PCB polos di toko elektronik, lalu kamu lukis menggunakan spidol hitam hitam sesuai dengan gambar di atas kemudian rendam pada larutan feriClorida .Tunggu sampai
bagian yang tidak terkena spidol hilang .
2. Setelah papan PCB sudah jadi, bersikan sisa tinta spidol dengan menggunakan kertas amplas halus kemudiaan libangilah pada bagian transistor( TR1, 2 ) membentuk kotak sesuai dengan bentuk transistor itu agar bisa menempel pada plat pendingin .
3. Pasanglah komponen-komponen pada tempatnya sesuai dengan gambar di atas, ingat kaki transistor jangan sampai terbalik .
4. Setelah semua komponen telah terpasang, sambungkan output dari pemancar 5 watt ke input Booster .
5. Di bagian output Booster, kamu pasang Dummy Load sebagai pengganti antena sekaligus untuk mengukur besaran daya keluaran dari Booster yang telah kamu rakit .
6. Sambungkan juga kabel tegangan DC 12V pada Booster, ingan jangan sampai terbalik kabel(+)
dan (-) nya .
7. Untuk mengoptimalkan daya keluaran pada booster, lakukan penyetelan dengan mentrim kondensator trimmer (C1, 2, 4, 5, 7, 8 ) dan merenggangkan Lilitan( L1, 4, 7 ) sampai kamu mendapat daya keluaran yang maksimal .
8. Bila Daya keluran Booster sudah maksimal, kamu bisa mencobanya dengan menyambungkan ke Antena Pemancar FM .
9. Untuk mengetahui kekuatan modulasi dan mengatur ketepatan antena, gunakan SWR Meter .
10. Untuk kabel antena gunakan kabel koaksial RG 58 atau RG 8 yang berimpedansi 50 ohm .
Sumber : http://rahmattehnik.blogspot.com/2010/06/cara-merakit-booster-pemancar-fm-50watt.html
PEMANCAR FM TANPA TRIMER :

Dan inilah contoh setelah selesai :
Antena gamma match :
Antena gamma match merupakan antena 1/2 lamda dengan tambahan matching impedans yang lebih fleksibel pengaturannya (var kapasitor) dengan menggeser-geser lewat gamma match/roadnya. Jenis antena ini pernah saya rakit (th 1994) dan dipakai untuk pemancar FM dengan hasil bagus pada settingan impedans yang pas. Pengukuran SWR dapat stabil 1:1 cukup kecil. Sayang waktu itu belum ada dokumentasi fotonya Antena saya pasang vertikal hanya drivennya saja di dalam kamar setinggi 170 cm dengan kabel belden RG 58 dapat mencapai paling tidak -+5 Km (dari wirobrajan Gg. Gatotkoco sampai sekitar alun-alun kraton YK) apa lagi jika dipasang diluar rumah dan pada ketinggian cukup tinggi.
Gambar di bawah ini sekema Pemancar FM dengan tabung :
SKEMA PEMANCAR FM TRANSISTOR :
Untuk keterangan lebih lanjut bisa di lihat di http://guru.technosains.com/FM-Breaker.htm
BOSTER 50 WATT PEMACAR FM :
Skema Rangkaian :
Skema PCB Rangkaian Boster FM 50 Watt :
Daftar Komponen :
TR1 ………………. SC1971.
TR2 ………………. SC1964.
C1, 4 ……………… 8 pF ( kondensator trimmer batu ).
C2, 5 . ……………..10 pF ( Kondensator trimmer batu).
C7, 8 ……………….20 pF ( Kondensator trimmer batu).
C3, 6 ……………… 2200 mF/50 V.
L1, 4, 7 …………. Diameter kawat 2mm
Diameter inti udara 8mm .
Jumlah lilitan= 3 lilit.
L2, 5 …………… Diameter kawat 2mm
Diameter inti udara 8mm
Jumlah lilitan= 9 lilit .
R1, 2 …………….. 100 ohm / 2 watt.
L3, 6 …………….. Diameter kawat 0,4mm
*.Catatan : Untuk R1, 2 dan L3, 6 dililitkan bersama .
Cara merakitnya :
1. Kamu beli papan PCB polos di toko elektronik, lalu kamu lukis menggunakan spidol hitam hitam sesuai dengan gambar di atas kemudian rendam pada larutan feriClorida .Tunggu sampai
bagian yang tidak terkena spidol hilang .
1. Kamu beli papan PCB polos di toko elektronik, lalu kamu lukis menggunakan spidol hitam hitam sesuai dengan gambar di atas kemudian rendam pada larutan feriClorida .Tunggu sampai
bagian yang tidak terkena spidol hilang .
2. Setelah papan PCB sudah jadi, bersikan sisa tinta spidol dengan menggunakan kertas amplas halus kemudiaan libangilah pada bagian transistor( TR1, 2 ) membentuk kotak sesuai dengan bentuk transistor itu agar bisa menempel pada plat pendingin .
3. Pasanglah komponen-komponen pada tempatnya sesuai dengan gambar di atas, ingat kaki transistor jangan sampai terbalik .
4. Setelah semua komponen telah terpasang, sambungkan output dari pemancar 5 watt ke input Booster .
5. Di bagian output Booster, kamu pasang Dummy Load sebagai pengganti antena sekaligus untuk mengukur besaran daya keluaran dari Booster yang telah kamu rakit .
6. Sambungkan juga kabel tegangan DC 12V pada Booster, ingan jangan sampai terbalik kabel(+)
dan (-) nya .
7. Untuk mengoptimalkan daya keluaran pada booster, lakukan penyetelan dengan mentrim kondensator trimmer (C1, 2, 4, 5, 7, 8 ) dan merenggangkan Lilitan( L1, 4, 7 ) sampai kamu mendapat daya keluaran yang maksimal .
8. Bila Daya keluran Booster sudah maksimal, kamu bisa mencobanya dengan menyambungkan ke Antena Pemancar FM .
9. Untuk mengetahui kekuatan modulasi dan mengatur ketepatan antena, gunakan SWR Meter .
10. Untuk kabel antena gunakan kabel koaksial RG 58 atau RG 8 yang berimpedansi 50 ohm .
Sumber : http://rahmattehnik.blogspot.com/2010/06/cara-merakit-booster-pemancar-fm-50watt.html
PEMANCAR FM TANPA TRIMER :
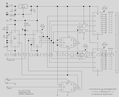
rangkaian traffic light
Membuat Traffic light dengan IC 74XX
Proyek elektronik (Rangkaian lampu lalu lintas) hanya didasarkan pada 74LSxx keluarga dan IC 555 sebagai sumber jam. Ini merupakan rangkaian logika digital. Untuk membangun rangkaian pengaturan lampu lalu lintas Anda tidak perlu pemrograman mikrokontroler.
Gambar Skema Rangkaian lampu lalu lintasCatatan:
- Rendah output masuk urutan 1-0 dan kembali ke 1 -0
- Pada tingkat clock timer 555
- c3 = 1uf untuk 10uf tergantung pada tingkat perubahan desured
- R2 (resistor variabel) yang digunakan untuk menentukan timer
Rabu, 26 Januari 2011
rangkaian kebocoran gas
RANGKAIAN KEBOCORAN GAS
Daftar Komponen :
Resistor :
R1 ………… 10 ohm/1 W
R2 ………… 5 K
R3 ………… 100 K
Trimpot : RV ………… 5 K
Kapasitor : C1 ………… 100 mikro farad/25 V
Diode D1, D2, D3, D4 ………… IN 4002
Zener ……………………… 5,1 V
Transistor ……………….. FCS 9013
SCR ………………………… RC 10
Sensor …………………….. TGS 812
Fuse ……………………….. 1 A
Indikator Lampu Neon
Relay ………………………. 9 V
rangkaian wireless microphone
Komponen Rangkaian Wireless MicrophoneR1 = 10K (brown-black-orange)
R2,R3 = 100K (brown-black-yellow)
R4 = 470 ohm (yellow-violet-brown)
C1,C3 = 4.7pF (4p7), ceramic
C2,C4 = 4.7uF-16V, electrolytic
C5 = 0.001uF (1nF), ceramic
C6 = 470pF, ceramic
Q1,Q2 = 2N2222, NPN transistor
L1 = 1uH, variable inductor
Mic = Electret mike, 2 wires
Couple Notes:
R2,R3 = 100K (brown-black-yellow)
R4 = 470 ohm (yellow-violet-brown)
C1,C3 = 4.7pF (4p7), ceramic
C2,C4 = 4.7uF-16V, electrolytic
C5 = 0.001uF (1nF), ceramic
C6 = 470pF, ceramic
Q1,Q2 = 2N2222, NPN transistor
L1 = 1uH, variable inductor
Mic = Electret mike, 2 wires
Couple Notes:
Q1 amplifies the input signal via C4 from the electret microphone.
Q2 acts as an oscillator and the signal coming off C2 is fed onto the base of Q2.L1/C1 is a so called ‘tank’ circuit and operates in the 88-105MHz band on your regular AM/FM radio dial.
L1 is a 1uH variable inductor coil to be able to tune it a little bit, and the range of 1uH is approximate.
rangkaian power amlifier 1500 watt
Skema 1500 Watt Audio Power Amplifier
SKEMA REGULATOR
SKEMA RANGKAIAN SENSOR
Senin, 24 Januari 2011
sekema jam digital
Skema Jam Digital
rangkaian diatas adalah sekema rangkain jam digital yang menggunakan 6 seven segmen yang di kendalikan oleh microcontroler 8951.
Langganan:
Komentar (Atom)



